|
|||||||||||||
|
Fri fragt fra 4.995,-
|
|||||||||||||
|
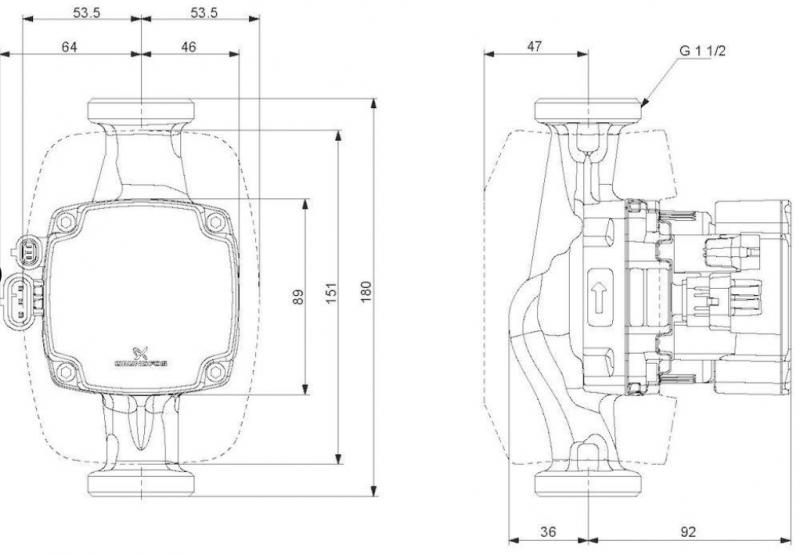
Grundfos ALPHA2 GO cirkulationspumpe 25-40 - 180 mm
Grundfos ALPHA2 GO: En helt ny måde at arbejde med varmeanlæg på.
Med ALPHA2 GO kan installatøren nu udskifte størstedelen af alle stand-alone cirkulationspumper og næsten 70% af de pumper, der er integreret i fjernvarmeunits, gasfyr og varmepumper efter 2015.
Nem udskiftning af integrerede UPM3 og UPM4-cirkulationspumper ALPHA2 GO kommunikerer direkte med Grundfos GO-appen og kopierer ydeevnen fra den integrerede pumpe, der udskiftes, til den nye pumpe. Guidet Opsætning: Banebrydende ny funktion i Grundfos GO-appen sørger for en præcis idriftsættelse i den aktuelle installation og med størst mulig energieffektivitet. Det er vigtigt, da 95% af en cirkulationspumpens miljøbelastning stammer fra driften. Replace-funktion: Finder lynhurtigt den bedste udskiftningpumpe. Tryktab: ALPHA2 GO måler modstanden og beregner varmetabet i boligen, så du altid får den bedste opsætning. Kopierer OEM-pumpens sprog: Grundfos GO-appen aflæser den gamle OEM-pumpes ’sprog’ og kopierer de oprindelige indstillinger, så den nye ALPHA2 GO kører lige så optimalt. |


Indhent tilbud her
Fri fragt fra 4.995,-
Godkendt webshop